Назад
Баки и емкости
Баки расширительные
Гидроаккумуляторы
Ёмкости
Балансировочные клапаны
Автоматические балансировочные клапаны
- Клапан типа AB-PM
- Клапан типа APF
- Клапан типа APT (заменяет серию ASV-PV)
- Клапан типа ASV-BD
- Клапан типа ASV-I
- Клапан типа ASV-M
- Клапан типа ASV-P
- Клапан типа CNT (заменяет серию ASV-I)
- Комплекты клапанов APT/CDT
- Комплекты клапанов ASV-PV/ASV-M
Дополнительные принадлежности и фитинги
- Адаптеры
- Измерительные ниппели
- Остальные принадлежности
- Рукоятки
- Фитинги
Комбинированные балансировочные клапаны
- Клапан AB-QM
- Клапан AQT(AQF)
- Термостатические элементы для клапанов AB-QM
- Термоэлектрические приводы для клапанов AB-QM
- Электроприводы для клапанов AB-QM
- Электроприводы для клапанов AQT(AQF)
Ручные балансировочные клапаны
- PFM 5001, bluetooth-версия с одним датчиком давления
- Клапан типа MSV-BD
- Клапан типа MSV-S
- Клапан типа MVT (заменяет серию MSV-BD)
- Клапаны типа MNF
- Клапаны типа MNT
- Клапаны типа MSV-F2
- Клапаны типа USV-I
- Комплекты MSV-BD/MSV-S
- Комплекты MVT/MSV-S
Вентиляционное оборудование
Вентиляция
Водонагреватели
Бойлеры
Водонагреватели газовые
Водонагреватели электрические накопительные
Водонагреватели электрические проточные
Комплектующие для водонагревателей
Детали трубопроводов
Болты, гайки и шайбы
Винт-шурупы, болты анкерные и дюбели
Грувлок (бессварные муфтовые соединения)
Заглушки стальные
Компенсаторы и вибровставки
Муфты соединительные ПФРК и ДРК
Опоры стальные
Отводы стальные гнутые
Отводы стальные крутоизогнутые
Переходы стальные
Сгоны, бочата, резьбы и отрезки труб
Тройники стальные
Фланцы стальные
Хомуты
Шпильки
Запорная арматура
Задвижки латунные
Задвижки стальные
Задвижки чугунные
Запчасти для арматуры запорной
Затворы поворотные
Клапаны латунные
Клапаны стальные
Клапаны чугунные
Краны конусные латунные
Краны латунные водоразборные
Краны латунные для бытовых приборов
Краны латунные для манометров
Краны шаровые латунные
Краны шаровые латунные со спускным устройством
Краны шаровые стальные
Краны шаровые чугунные
Системы защиты от протечек
Электроприводы, редукторы для арматуры запорной
Насосы
Автоматические насосные станции
- CMB
- CMB-SP
- CMBE
- CMBE TWIN
- JP
- JPA
- JPD
- MQ
- SCALA
Вертикальные центробежные насосы
- CR
- CRE
- CRN
- CRNE
- CRT
- MTH
- MTR
Дренажные насосы
- DP
- DPK
- DW
- DWK
- KPC
- Unilift AP
- Unilift CC
- Unilift KP
Канализационные насосы
- APG
- Conlift
- EF
- Multilift
- SE
- SEG
- SEV
- SL
- SLV
- Sololift2
- Unilift AP B
Колодезные насосы
- SB
- SB HF
- SBA
- SPO
Консольно-моноблочные насосы
- NB
- NK
Насосное оборудование
- Автоматика и шкафы управления
- Датчики давления
- Комплектующие для насосов и насосных станций
- Насосные группы
- Насосные станции бытовые
- Насосные станции промышленные
- Насосы вибрационные
- Насосы дренажные и фекальные
- Насосы ин-лайн с сухим ротором
- Насосы колодезные
- Насосы консольные, консольно-моноблочные
- Насосы многоступенчатые
- Насосы поверхностные
- Насосы скважинные
- Насосы циркуляционные с мокрым ротором
- Реле давления
Поверхностные насосы
- CM
- CME
- JP
- NS
- PF
Скважинные насосы
- SP
- SQ
- SQE
Установки повышения давления и пожаротушения
- Hydro MPC
- Hydro Multi-E
- Hydro Multi-S
- Hydro MX
- Hydro Solo-E
- Hydro Solo-S
Центробежные насосы "ИН-ЛАЙН
- TP
- TPD
- TPE2
- TPE3
Циркуляционные насосы бытовые
- ALPHA SOLAR
- ALPHA1 L
- ALPHA2
- ALPHA2 L
- ALPHA3
- COMFORT
- HEATMIX
- UP A
- UP/UPS N
- UPS
- UPSD
Циркуляционные насосы промышленные
- Magna1
- Magna1 D
- Magna3
- Magna3 D
- Magna3 N
- UPS B
- UPS Series 200
- UPSD Series 200
Пластинчатые теплообменники
Дополнительные компоненты для пластинчатых теплообменников
- Монтажные кронштейны для паяных пластинчатых теплообменников
- Тепловая изоляция для разборных пластинчатых теплообменников
Паяные пластинчатые теплообменники двухходовые ХВ
- Теплообменник типа XB 12H-2
- Теплообменник типа XB 12L-2
- Теплообменник типа XB 12M-2
- Теплообменник типа XB 51H-2
- Теплообменник типа XB 51L-2
- Теплообменник типа XB 52M-2
Паяные пластинчатые теплообменники одноходовые ХВ
- Теплообменник типа XB 06H-1
- Теплообменник типа XB 06L-1
- Теплообменник типа XB 10-1
- Теплообменник типа XB 12H-1
- Теплообменник типа XB 12L-1
- Теплообменник типа XB 12M-1
- Теплообменник типа XB 20-1
- Теплообменник типа XB 24-1
- Теплообменник типа XB 30-1
- Теплообменник типа XB 37L-1
- Теплообменник типа XB 51L-1
- Теплообменник типа XB 52M-1
- Теплообменник типа XB 61H
- Теплообменник типа XB 61L
- Теплообменник типа XB 61M
- Теплообменник типа ХВ 04-1
- Теплообменник типа ХВ 37H-1
- Теплообменник типа ХВ 37М-1
- Теплообменник типа ХВ 59М-1
Разборные пластинчатые теплообменники одноходовые ХG
Приборы учета и КИПиА
Комплектующие для КИПиА
Манометры
Счётчики воды
Теплосчетчики и комплектующие
Термоманометры
Термометры и оправы
Промышленная автоматика
Компактные электромагнитные клапаны
- Компактные катушки для клапанов серии АВ
- Компактные катушки для клапанов серии АС, АК
- Компактные трехходовые электромагнитные клапаны
- Компактные электромагнитные клапаны прямого действия
- Компактные электромагнитные клапаны с сервоприводом
- Универсальные катушки для клапанов серии АМ
- Электромагнитные клапаны высокой производительности прямого действия
- Электромагнитные клапаны с сервоприводом
Реле давления
- Аксессуары для реле давления и монтажа
- Преобразователи давления EMP 2
- Реле типа BCP
- Реле типа CAS
- Реле типа CS
- Реле типа KP
- Реле типа KPI
- Реле типа KPS
- Реле типа RT
- Электронный индикатор MBD 1000
Реле температуры
- Реле температуры типа KP
- Реле типа CAS
- Реле типа KPS
- Реле типа MBC
- Реле типа RT
Радиаторные терморегуляторы
Дроссели для отопительных приборов однотрубных систем отопления
Запорно-присоединительные радиаторные клапаны
Клапаны радиаторных терморегуляторов
- Клапан типа RA-DV
- Клапан типа RA-N
- Клапан типа RTR-G
- Клапан типа RTR-N
Комплекты терморегуляторов для систем отопления
- Двухтрубная система, клапан RA-N и термостат RA2940
- Двухтрубная система, клапан RA-N и термостат RA2994
- Комплект клапана RLV-KS для термостатов RA2940/RAW-K для радиаторов с нижним подключением
- Комплект клапана с уплотнительной втулкой для присоединительных гарнитур RA-K/RA, RA-KE/RA
- Однотрубная система, клапан RA-G и термостат RA2940
- Однотрубная система, клапан RA-G и термостат RA2994
Комплекты терморегуляторов и запорных клапанов для дизайн- радиаторов и полотенцесушителей
Присоединительно - регулирующие гарнитуры
- Двухтрубная насосная система. Гарнитура RA-K. Гарнитура RA15/ТВ. Гарнитура VHS
- Однотрубная насосная система. Гарнитура RA-KE. Гарнитура RA 15/6Т
Термостатические элементы радиаторных терморегуляторов
Радиаторы, конвекторы и комплектующие
Клапаны и элементы термостатические
Комплектующие для радиаторов и конвекторов
Конвекторы
Конвекторы внутрипольные
Радиаторы алюминиевые
Радиаторы биметаллические
Радиаторы стальные панельные
Радиаторы стальные трубчатые
Радиаторы чугунные
Узлы подключения для радиаторов
Регуляторы температуры
Регулирующие клапаны для регуляторов давления, перепада давления, расхода и температуры
- Клапан типа VFG 2
- Клапан типа VFG 33
- Клапан типа VFGS 2
- Принадлежности
Регуляторы давления «до себя» (регулятор подпора)
- Моноблочные регуляторы давления «до себя»
Регуляторы давления «после себя»
- Комбинированные регуляторы
- Моноблочные регуляторы
- Принадлежности к регулятору AVDS
Регуляторы перепуска
- Комбинированные регуляторы перепуска
- Моноблочные регуляторы перепуска
Регуляторы температуры комбинированные
- Принадлежности к регулятору AVT/VG, VGF
- Термостатические элементы AVT
Регуляторы температуры моноблочные
- Дополнительные принадлежности AVTB
- Комплект присоединительных фитингов AVTQ
- Ограничитель температуры MTCV
- Регуляторы температуры AVTB
- Регуляторы температуры AVTQ
- Регуляторы температуры FJV
- Смесительный клапан TVM-H
Регуляторы – ограничители расхода
- Моноблочные регуляторы – ограничители расхода
Сантехника
Арматура для унитазов, писсуаров и чаш
Биде, писсуары, чаши и сопутствующие товары
Ванны и сопутствующие товары
Вентиляторы, вентиляционные решетки и лючки
Инсталляции
Кабины душевые и комплектующие
Мебель для ванных комнат и аксессуары
Мойки и подстолья
Подводка гибкая
Поддоны душевые
Полотенцесушители и комплектующие
Сифоны, выпуски, шланги для стиральных машин
Смесители и комплектующие
Трапы
Умывальники, пьедесталы и сопутствующие товары
Унитазы, бачки и сопутствующие товары
Теплоизоляция, уплотнения
Асбокартон и пергамин
Герметики
Грунтовка, мастика и лак
Лен сантехнический и мастика
Лента ФУМ и нить уплотнительная
Набивка сальниковая, каболка и шнур асбестоцементный
Паронит листовой
Прокладки
Стеклоткань, фольгоизол, гидростеклоизол и стеклопластик
Теплоизоляция на основе вспененного каучука и аксессуары
Теплоизоляция на основе вспененного полиэтилена и аксессуары
Теплоизоляция на основе минеральной ваты
Техпластина резиновая
Трубопроводная арматура
Воздухоотводчики автоматические
Затворы дисковые поворотные с ручным управлением
- Затворы VFY-WG и SYLAX с ручным редукторным приводом
- Затворы типа VFY-LG, ручной редукторный приводом
- Затворы типа VFY-LH, диск - нержавеющая сталь
- Затворы типа VFY-LH, диск - чугун
- Затворы типа VFY-WG с ручным редукторным приводом
- Затворы типа VFY-WH, диск - нерж сталь
- Затворы типа VFY-WH, диск - чугун
Затворы дисковые поворотные с электроприводами
- Затвор типа SYLAX, нержавеющая сталь
- Затвор типа VFY-WA ,диск-высокопрочный чугун
- Затвор типа VFY-WA,диск-нержавеющая сталь
Обратные клапаны
- Клапаны типа 065BXXXX
- Клапаны типа 223
- Клапаны типа 802
- Клапаны типа 805
- Клапаны типа 812
- Клапаны типа 895
- Клапаны типа NVD 402
- Клапаны типа NVD 462
Осевые сильфонные компенсаторы
- Осевой компенсатор без гильзы
- Осевой компенсатор с внутренней гильзой
Пилотные регулирующие клапаны
Редукционные клапаны
- Клапан типа 11bis
- Клапан типа 7bis
Фильтры сетчатые
- Магнитная вставка FVF-S для фильтров FVF
- Сетка стандартная FVF-S и уплотнение для фильтров FVF
- Сливное устройство для фильтров FVF
- Фильтры сетчатый FVR-D со спускным краном
- Фильтры типа FVF с пробкой
- Фильтры типа FVF со сливным краном
- Фильтры типа FVR с внутренней резьбой
- Фильтры типа Y333 с пробкой
- Фильтры типа Y333P со сливным краном
- Фильтры типа Y666 с внутренней резьбой
Шаровые краны, запорные
- Кран-клапан запорно-регулирующий JiP BaBV
- Краны шаровые JiP Standard FF
- Краны шаровые JiP Standard WW
- Краны шаровые JiP-FF с ISO-фланцем
- Краны шаровые JiP-FF с редуктором
- Краны шаровые JiP-FF с рукояткой
- Краны шаровые JiP-WW с ISO-фланцем
- Краны шаровые JiP-WW с редуктором
- Краны шаровые JiP-WW с рукояткой
- Краны шаровые тип Х3444В
- Краны шаровые типа Х1666
- Краны шаровые Х2777
- Электропривод AUMA для шаровых кранов
- Электропривод AUMA с блоком управления
Трубы и фитинги
Трубы из нержавеющей, углеродистой стали и фитинги
Трубы из сшитого полиэтилена PE-X, PE-RT и фитинги
Трубы медные и фитинги
Трубы металлопластиковые PEX-AL-PEX, PERT-AL-PERT и фитинги
Трубы напорные ПВХ, НПВХ и фитинги
Трубы полипропиленовые напорные PP-R и фитинги
Трубы полиэтиленовые ПЭ, ПНД, фитинги и фланцы
Трубы стальные бесшовные
Трубы стальные ВГП
Трубы стальные электросварные
Фитинги латунные резьбовые
Фитинги стальные резьбовые
Фитинги чугунные резьбовые
Шланги гофрированные защитные
Шланги поливочные, промышленные, для насосов и комплектующие
Трубы канализационные
Воронки, лотки водосточные и комплектующие
Клапаны канализационные
Кольца и манжеты
Люки, дождеприемники и колодцы полимерные
Люки, дождеприемники и трапы чугунные
Смазка сантехническая
Трубы асбестоцементные и соединительные детали
Трубы из поливинилхлорида ПВХ, НПВХ и соединительные детали
Трубы полипропиленовые канализационные и соединительные детали
Трубы чугунные безраструбные SML и соединительные детали
Трубы чугунные ВЧШГ и соединительные детали
Трубы чугунные ЧК и соединительные детали
Установки очистные
Фильтры, грязевики, элеваторы и воздухоотводчики
Воздухоотводчики
Грязевики
Конденсатоотводчики
Фильтры бытовые и комплектующие к ним
Фильтры и запчасти для фильтров
Элеваторы и элеваторные узлы
Частотные преобразователи
VLT HVAC Basic FC 101
VLT Micro Drive FC 51
УПП VLT MCD 100
Электрические средства управления
Комнатные термостаты
- Непрограммируемые термостаты для системы отопления
- Программируемые термостаты для системы отопления
- Термостаты для фэнкойлов
Позиционные клапаны запорные с электроприводом
- Трехходовой двухпозиционный клапан HS типа Paddle
Производители
ADL
Alca Plast
AQUAFLAX NANO
AQUALINE
AQUALINK
Aquanet
Aquasfera
Aquaviva
Ariston
ASKON
Atlantic
Atmor
Atoll
AVIORA
AVK
Bailey
Benarmo
Berges
BROEN
COELBO
Dab
Danfoss
Danfoss;
DINARM
Dist
DOMANI-Spa
DORATIZ
Duravit
Edisson
EFFAST
ELOFIT
Energoflex
Esbe
Etalon
EUROSTANDARD
Evecs
Far
Fergas
Fittex
Fittex PLUS
Flamco
FORTECA
FP PREIS
Garanterm
GEB
Geberit
GERRIDA
Giacomini
Global Water Solutions
Green Box
Grohe
Grundfos
Heaton
Heaton Plus
Heaton Smart
Henco
HL
Honeywell
Honeywell-Braukmann
Hortum
Icma
Ideal Standard
impero
Jika
K-flex
Kermi
Kirovit (Кировская керамика)
KNIPEX
LD
LDFORS
LEDE
Ledeme
LeMark
LOCTITE
Mayer
Meibes
Milwaukee
Mohlenhoff
Mupro
MVI
Neptun
No name
Normaconnect
Oasis
Ogint
OLI
OR
Ostendorf
Oventrop
Pedrollo
Poelsan
ProFactor
Protherm
Reflex
Ridgid
RIFAR
RM-L
Roca
ROCKWOOL
Rosa (Кировская керамика)
Rothenberger
Royal Thermo
ROZMAS
Santek
Santeri
Schneider Electric
Selena
Serra
SFA
Siemens
Soudal
SPRINT
STAHLMANN
Stiebel Eltron
Strongman
Superlux
Tech-KREP
Tecofi
Temper
TeRma
THERMEX
TIEMME
TIM
TORK
Tuboflex
Unicorn
Unipak
Unipump
Uponor
URSA
VALFEX
Vidima
Viessmann
Vitron
Warmstad
Waterstry
Watts
Wavin
Wester
White Wave (Караганда)
Wika
Wilo
Wolf
Zetkama
Агригазполимер
Аквапромлит
Акватек
АНИ Пласт
Апогей
Арма-Пром
АРМАС
АС
АТЗ
Багория
БАЗ
Бивал
БЛМЗ
ВАТИ
ВАТИ-АВТО
ВИПРА
Владикс
ВМЗ
ГАЛЛОП
ГЗ Электропривод
Гидроагрегат
ГРАНАР
Гранвэл
Дания;
Декаст
Джилекс
ДПК
ДТРД
завод им Гаджиева
Завод ПолимерШланг
ЗАВОД ТЕПЛОТЕХНИЧЕСКИХ ПРИБОРОВ
Завод Универсал
ЗИП
ЗИП-ФЛЕКС
Изотерм
ИК-2
ИКАР
Инкоэр
Итэлма
КАЗ
КЗПМ
КЗТО
Китай
ККАЗ
Кронтиф
ЛесМаркет
Ливгидромаш
ЛМЗ
Лобненский стройфарфор
Луидор
Манотомь
Маршал
Мастер line
Мегастрой
МетаКам
Метер
МЗОО
МЗТА
Мирсант
Мифрил
МПТ-Пластик
НАО "Нижнетагильский котельно-радиаторный завод"
Национальный комфорт
НЗТА
Нитэкмаш
НПО ЮМАС
НРЗ
Орио
Оскольская керамика
ОСПАЗ
Пензапромарматура
ПК ПРИБОР
Полипластик
Политэк
ППК
Прегран
Промтревл
Профсан
ПРС
РБМ
РЕГИОН СПЕЦТЕХНО
Резинотехника
Рех
Ридан
РОС
Роскреп
Росма
Россия
Ростполимерпром
Ростпроект
Ростурпласт-RTP
САЗ
Санпласт
Сансфера
Сантехкомплект
СантехмастерГель
Сантехпром
Сантехстрой
Сантэкс (Гомель)
Сатурн
Свободный Сокол
Сектор
Симтек
Славен
СМ
СМК
ССК
Стеклоприбор
СТИЛОТ
Татполимер
ТД Протон-Энергия
Тепловодомер
Тепловодохран
Теплолюкс
Тепломаш КЭВ
Терминус
Техком
Техкомплект
ТехПласт
ТЗПО
ТМК
ТПК-АКВА
Тулаэлектропривод
ТЭМПО
Уклад
Универсал (Новокузнецк)
УТД
Хемкор
Хоммет
Царсберг
Цветлит
Центр Сантехники (Подольск)
ЦЕНТРОЛИТ
Эван
ЭКО НОМ
ЭКОМЕРА
ЭлБЭТ
Элит-Металл
Эра
ЮНАФЛЭКС
Назад
О нас
Оплата
Доставка
Гарантия
Контакты
Бренды
Новинки
Акции
Контакты
Информация
О нас
Оплата
Доставка
Гарантия
Контакты
Сравнение
0
Закладки
0
Личный кабинет
Авторизация
Регистрация
Везде
Везде
Баки и емкости
Балансировочные клапаны
Вентиляционное оборудование
Водонагреватели
Детали трубопроводов
Запорная арматура
Насосы
Пластинчатые теплообменники
Приборы учета и КИПиА
Промышленная автоматика
Радиаторные терморегуляторы
Радиаторы, конвекторы и комплектующие
Регуляторы температуры
Сантехника
Теплоизоляция, уплотнения
Трубопроводная арматура
Трубы и фитинги
Трубы канализационные
Фильтры, грязевики, элеваторы и воздухоотводчики
Частотные преобразователи
Электрические средства управления
пн - сб: с 9.00 до 18.00
+7(343)
312-55-15
info@aqcn-ekb.ru
Заказать обратный звонок
620144,г. Екатеринбург, улица Московская, д. 195, офис 1133, этаж 11, БЦ МАН
+7(343) 312-55-15
info@aqcn-ekb.ru
Корзина
: 0
Везде
Везде
Баки и емкости
Балансировочные клапаны
Вентиляционное оборудование
Водонагреватели
Детали трубопроводов
Запорная арматура
Насосы
Пластинчатые теплообменники
Приборы учета и КИПиА
Промышленная автоматика
Радиаторные терморегуляторы
Радиаторы, конвекторы и комплектующие
Регуляторы температуры
Сантехника
Теплоизоляция, уплотнения
Трубопроводная арматура
Трубы и фитинги
Трубы канализационные
Фильтры, грязевики, элеваторы и воздухоотводчики
Частотные преобразователи
Электрические средства управления
Каталог
товаров
Каталог
товаров
Баки и емкости
Баки расширительные
Гидроаккумуляторы
Ёмкости
Балансировочные клапаны
Автоматические балансировочные клапаны
Клапан типа AB-PM
Клапан типа APF
Клапан типа APT (заменяет серию ASV-PV)
Клапан типа ASV-BD
Клапан типа ASV-I
Клапан типа ASV-M
Клапан типа ASV-P
Клапан типа CNT (заменяет серию ASV-I)
Комплекты клапанов APT/CDT
Комплекты клапанов ASV-PV/ASV-M
Дополнительные принадлежности и фитинги
Адаптеры
Измерительные ниппели
Остальные принадлежности
Рукоятки
Фитинги
Комбинированные балансировочные клапаны
Клапан AB-QM
Клапан AQT(AQF)
Термостатические элементы для клапанов AB-QM
Термоэлектрические приводы для клапанов AB-QM
Электроприводы для клапанов AB-QM
Электроприводы для клапанов AQT(AQF)
Ручные балансировочные клапаны
PFM 5001, bluetooth-версия с одним датчиком давления
Клапан типа MSV-BD
Клапан типа MSV-S
Клапан типа MVT (заменяет серию MSV-BD)
Клапаны типа MNF
Клапаны типа MNT
Клапаны типа MSV-F2
Клапаны типа USV-I
Комплекты MSV-BD/MSV-S
Комплекты MVT/MSV-S
Вентиляционное оборудование
Вентиляция
Водонагреватели
Бойлеры
Водонагреватели газовые
Водонагреватели электрические накопительные
Водонагреватели электрические проточные
Комплектующие для водонагревателей
Детали трубопроводов
Болты, гайки и шайбы
Винт-шурупы, болты анкерные и дюбели
Грувлок (бессварные муфтовые соединения)
Заглушки стальные
Компенсаторы и вибровставки
Муфты соединительные ПФРК и ДРК
Опоры стальные
Отводы стальные гнутые
Отводы стальные крутоизогнутые
Переходы стальные
Сгоны, бочата, резьбы и отрезки труб
Тройники стальные
Фланцы стальные
Хомуты
Шпильки
Запорная арматура
Задвижки латунные
Задвижки стальные
Задвижки чугунные
Запчасти для арматуры запорной
Затворы поворотные
Клапаны латунные
Клапаны стальные
Клапаны чугунные
Краны конусные латунные
Краны латунные водоразборные
Краны латунные для бытовых приборов
Краны латунные для манометров
Краны шаровые латунные
Краны шаровые латунные со спускным устройством
Краны шаровые стальные
Краны шаровые чугунные
Системы защиты от протечек
Электроприводы, редукторы для арматуры запорной
Насосы
Автоматические насосные станции
CMB
CMB-SP
CMBE
CMBE TWIN
JP
JPA
JPD
MQ
SCALA
Вертикальные центробежные насосы
CR
CRE
CRN
CRNE
CRT
MTH
MTR
Дренажные насосы
DP
DPK
DW
DWK
KPC
Unilift AP
Unilift CC
Unilift KP
Канализационные насосы
APG
Conlift
EF
Multilift
SE
SEG
SEV
SL
SLV
Sololift2
Unilift AP B
Колодезные насосы
SB
SB HF
SBA
SPO
Консольно-моноблочные насосы
NB
NK
Насосное оборудование
Автоматика и шкафы управления
Датчики давления
Комплектующие для насосов и насосных станций
Насосные группы
Насосные станции бытовые
Насосные станции промышленные
Насосы вибрационные
Насосы дренажные и фекальные
Насосы ин-лайн с сухим ротором
Насосы колодезные
Насосы консольные, консольно-моноблочные
Насосы многоступенчатые
Насосы поверхностные
Насосы скважинные
Насосы циркуляционные с мокрым ротором
Реле давления
Поверхностные насосы
CM
CME
JP
NS
PF
Скважинные насосы
SP
SQ
SQE
Установки повышения давления и пожаротушения
Hydro MPC
Hydro Multi-E
Hydro Multi-S
Hydro MX
Hydro Solo-E
Hydro Solo-S
Центробежные насосы "ИН-ЛАЙН
TP
TPD
TPE2
TPE3
Циркуляционные насосы бытовые
ALPHA SOLAR
ALPHA1 L
ALPHA2
ALPHA2 L
ALPHA3
COMFORT
HEATMIX
UP A
UP/UPS N
UPS
UPSD
Циркуляционные насосы промышленные
Magna1
Magna1 D
Magna3
Magna3 D
Magna3 N
UPS B
UPS Series 200
UPSD Series 200
Пластинчатые теплообменники
Дополнительные компоненты для пластинчатых теплообменников
Монтажные кронштейны для паяных пластинчатых теплообменников
Тепловая изоляция для разборных пластинчатых теплообменников
Паяные пластинчатые теплообменники двухходовые ХВ
Теплообменник типа XB 12H-2
Теплообменник типа XB 12L-2
Теплообменник типа XB 12M-2
Теплообменник типа XB 51H-2
Теплообменник типа XB 51L-2
Теплообменник типа XB 52M-2
Паяные пластинчатые теплообменники одноходовые ХВ
Теплообменник типа XB 06H-1
Теплообменник типа XB 06L-1
Теплообменник типа XB 10-1
Теплообменник типа XB 12H-1
Теплообменник типа XB 12L-1
Теплообменник типа XB 12M-1
Теплообменник типа XB 20-1
Теплообменник типа XB 24-1
Теплообменник типа XB 30-1
Теплообменник типа XB 37L-1
Теплообменник типа XB 51L-1
Теплообменник типа XB 52M-1
Теплообменник типа XB 61H
Теплообменник типа XB 61L
Теплообменник типа XB 61M
Теплообменник типа ХВ 04-1
Теплообменник типа ХВ 37H-1
Теплообменник типа ХВ 37М-1
Теплообменник типа ХВ 59М-1
Разборные пластинчатые теплообменники одноходовые ХG
Приборы учета и КИПиА
Комплектующие для КИПиА
Манометры
Счётчики воды
Теплосчетчики и комплектующие
Термоманометры
Термометры и оправы
Промышленная автоматика
Компактные электромагнитные клапаны
Компактные катушки для клапанов серии АВ
Компактные катушки для клапанов серии АС, АК
Компактные трехходовые электромагнитные клапаны
Компактные электромагнитные клапаны прямого действия
Компактные электромагнитные клапаны с сервоприводом
Универсальные катушки для клапанов серии АМ
Электромагнитные клапаны высокой производительности прямого действия
Электромагнитные клапаны с сервоприводом
Реле давления
Аксессуары для реле давления и монтажа
Преобразователи давления EMP 2
Реле типа BCP
Реле типа CAS
Реле типа CS
Реле типа KP
Реле типа KPI
Реле типа KPS
Реле типа RT
Электронный индикатор MBD 1000
Реле температуры
Реле температуры типа KP
Реле типа CAS
Реле типа KPS
Реле типа MBC
Реле типа RT
Радиаторные терморегуляторы
Дроссели для отопительных приборов однотрубных систем отопления
Запорно-присоединительные радиаторные клапаны
Клапаны радиаторных терморегуляторов
Клапан типа RA-DV
Клапан типа RA-N
Клапан типа RTR-G
Клапан типа RTR-N
Комплекты терморегуляторов для систем отопления
Двухтрубная система, клапан RA-N и термостат RA2940
Двухтрубная система, клапан RA-N и термостат RA2994
Комплект клапана RLV-KS для термостатов RA2940/RAW-K для радиаторов с нижним подключением
Комплект клапана с уплотнительной втулкой для присоединительных гарнитур RA-K/RA, RA-KE/RA
Однотрубная система, клапан RA-G и термостат RA2940
Однотрубная система, клапан RA-G и термостат RA2994
Комплекты терморегуляторов и запорных клапанов для дизайн- радиаторов и полотенцесушителей
Присоединительно - регулирующие гарнитуры
Двухтрубная насосная система. Гарнитура RA-K. Гарнитура RA15/ТВ. Гарнитура VHS
Однотрубная насосная система. Гарнитура RA-KE. Гарнитура RA 15/6Т
Термостатические элементы радиаторных терморегуляторов
Радиаторы, конвекторы и комплектующие
Клапаны и элементы термостатические
Комплектующие для радиаторов и конвекторов
Конвекторы
Конвекторы внутрипольные
Радиаторы алюминиевые
Радиаторы биметаллические
Радиаторы стальные панельные
Радиаторы стальные трубчатые
Радиаторы чугунные
Узлы подключения для радиаторов
Регуляторы температуры
Регулирующие клапаны для регуляторов давления, перепада давления, расхода и температуры
Клапан типа VFG 2
Клапан типа VFG 33
Клапан типа VFGS 2
Принадлежности
Регуляторы давления «до себя» (регулятор подпора)
Моноблочные регуляторы давления «до себя»
Регуляторы давления «после себя»
Комбинированные регуляторы
Моноблочные регуляторы
Принадлежности к регулятору AVDS
Регуляторы перепуска
Комбинированные регуляторы перепуска
Моноблочные регуляторы перепуска
Регуляторы температуры комбинированные
Принадлежности к регулятору AVT/VG, VGF
Термостатические элементы AVT
Регуляторы температуры моноблочные
Дополнительные принадлежности AVTB
Комплект присоединительных фитингов AVTQ
Ограничитель температуры MTCV
Регуляторы температуры AVTB
Регуляторы температуры AVTQ
Регуляторы температуры FJV
Смесительный клапан TVM-H
Регуляторы – ограничители расхода
Моноблочные регуляторы – ограничители расхода
Сантехника
Арматура для унитазов, писсуаров и чаш
Биде, писсуары, чаши и сопутствующие товары
Ванны и сопутствующие товары
Вентиляторы, вентиляционные решетки и лючки
Инсталляции
Кабины душевые и комплектующие
Мебель для ванных комнат и аксессуары
Мойки и подстолья
Подводка гибкая
Поддоны душевые
Полотенцесушители и комплектующие
Сифоны, выпуски, шланги для стиральных машин
Смесители и комплектующие
Трапы
Умывальники, пьедесталы и сопутствующие товары
Унитазы, бачки и сопутствующие товары
Теплоизоляция, уплотнения
Асбокартон и пергамин
Герметики
Грунтовка, мастика и лак
Лен сантехнический и мастика
Лента ФУМ и нить уплотнительная
Набивка сальниковая, каболка и шнур асбестоцементный
Паронит листовой
Прокладки
Стеклоткань, фольгоизол, гидростеклоизол и стеклопластик
Теплоизоляция на основе вспененного каучука и аксессуары
Теплоизоляция на основе вспененного полиэтилена и аксессуары
Теплоизоляция на основе минеральной ваты
Техпластина резиновая
Трубопроводная арматура
Воздухоотводчики автоматические
Затворы дисковые поворотные с ручным управлением
Затворы VFY-WG и SYLAX с ручным редукторным приводом
Затворы типа VFY-LG, ручной редукторный приводом
Затворы типа VFY-LH, диск - нержавеющая сталь
Затворы типа VFY-LH, диск - чугун
Затворы типа VFY-WG с ручным редукторным приводом
Затворы типа VFY-WH, диск - нерж сталь
Затворы типа VFY-WH, диск - чугун
Затворы дисковые поворотные с электроприводами
Затвор типа SYLAX, нержавеющая сталь
Затвор типа VFY-WA ,диск-высокопрочный чугун
Затвор типа VFY-WA,диск-нержавеющая сталь
Обратные клапаны
Клапаны типа 065BXXXX
Клапаны типа 223
Клапаны типа 802
Клапаны типа 805
Клапаны типа 812
Клапаны типа 895
Клапаны типа NVD 402
Клапаны типа NVD 462
Осевые сильфонные компенсаторы
Осевой компенсатор без гильзы
Осевой компенсатор с внутренней гильзой
Пилотные регулирующие клапаны
Редукционные клапаны
Клапан типа 11bis
Клапан типа 7bis
Фильтры сетчатые
Магнитная вставка FVF-S для фильтров FVF
Сетка стандартная FVF-S и уплотнение для фильтров FVF
Сливное устройство для фильтров FVF
Фильтры сетчатый FVR-D со спускным краном
Фильтры типа FVF с пробкой
Фильтры типа FVF со сливным краном
Фильтры типа FVR с внутренней резьбой
Фильтры типа Y333 с пробкой
Фильтры типа Y333P со сливным краном
Фильтры типа Y666 с внутренней резьбой
Шаровые краны, запорные
Кран-клапан запорно-регулирующий JiP BaBV
Краны шаровые JiP Standard FF
Краны шаровые JiP Standard WW
Краны шаровые JiP-FF с ISO-фланцем
Краны шаровые JiP-FF с редуктором
Краны шаровые JiP-FF с рукояткой
Краны шаровые JiP-WW с ISO-фланцем
Краны шаровые JiP-WW с редуктором
Краны шаровые JiP-WW с рукояткой
Краны шаровые тип Х3444В
Краны шаровые типа Х1666
Краны шаровые Х2777
Электропривод AUMA для шаровых кранов
Электропривод AUMA с блоком управления
Трубы и фитинги
Трубы из нержавеющей, углеродистой стали и фитинги
Трубы из сшитого полиэтилена PE-X, PE-RT и фитинги
Трубы медные и фитинги
Трубы металлопластиковые PEX-AL-PEX, PERT-AL-PERT и фитинги
Трубы напорные ПВХ, НПВХ и фитинги
Трубы полипропиленовые напорные PP-R и фитинги
Трубы полиэтиленовые ПЭ, ПНД, фитинги и фланцы
Трубы стальные бесшовные
Трубы стальные ВГП
Трубы стальные электросварные
Фитинги латунные резьбовые
Фитинги стальные резьбовые
Фитинги чугунные резьбовые
Шланги гофрированные защитные
Шланги поливочные, промышленные, для насосов и комплектующие
Трубы канализационные
Воронки, лотки водосточные и комплектующие
Клапаны канализационные
Кольца и манжеты
Люки, дождеприемники и колодцы полимерные
Люки, дождеприемники и трапы чугунные
Смазка сантехническая
Трубы асбестоцементные и соединительные детали
Трубы из поливинилхлорида ПВХ, НПВХ и соединительные детали
Трубы полипропиленовые канализационные и соединительные детали
Трубы чугунные безраструбные SML и соединительные детали
Трубы чугунные ВЧШГ и соединительные детали
Трубы чугунные ЧК и соединительные детали
Установки очистные
Фильтры, грязевики, элеваторы и воздухоотводчики
Воздухоотводчики
Грязевики
Конденсатоотводчики
Фильтры бытовые и комплектующие к ним
Фильтры и запчасти для фильтров
Элеваторы и элеваторные узлы
Частотные преобразователи
VLT HVAC Basic FC 101
VLT Micro Drive FC 51
УПП VLT MCD 100
Электрические средства управления
Комнатные термостаты
Непрограммируемые термостаты для системы отопления
Программируемые термостаты для системы отопления
Термостаты для фэнкойлов
Позиционные клапаны запорные с электроприводом
Трехходовой двухпозиционный клапан HS типа Paddle
Производители
A
ADL
Alca Plast
AQUAFLAX NANO
AQUALINE
AQUALINK
Aquanet
Aquasfera
Aquaviva
Ariston
ASKON
Atlantic
Atmor
Atoll
AVIORA
AVK
B
Bailey
Benarmo
Berges
BROEN
C
COELBO
D
Dab
Danfoss
Danfoss;
DINARM
Dist
DOMANI-Spa
DORATIZ
Duravit
E
Edisson
EFFAST
ELOFIT
Energoflex
Esbe
Etalon
EUROSTANDARD
Evecs
F
Far
Fergas
Fittex
Fittex PLUS
Flamco
FORTECA
FP PREIS
G
Garanterm
GEB
Geberit
GERRIDA
Giacomini
Global Water Solutions
Green Box
Grohe
Grundfos
H
Heaton
Heaton Plus
Heaton Smart
Henco
HL
Honeywell
Honeywell-Braukmann
Hortum
I
Icma
Ideal Standard
impero
J
Jika
K
K-flex
Kermi
Kirovit (Кировская керамика)
KNIPEX
L
LD
LDFORS
LEDE
Ledeme
LeMark
LOCTITE
M
Mayer
Meibes
Milwaukee
Mohlenhoff
Mupro
MVI
N
Neptun
No name
Normaconnect
O
Oasis
Ogint
OLI
OR
Ostendorf
Oventrop
P
Pedrollo
Poelsan
ProFactor
Protherm
R
Reflex
Ridgid
RIFAR
RM-L
Roca
ROCKWOOL
Rosa (Кировская керамика)
Rothenberger
Royal Thermo
ROZMAS
S
Santek
Santeri
Schneider Electric
Selena
Serra
SFA
Siemens
Soudal
SPRINT
STAHLMANN
Stiebel Eltron
Strongman
Superlux
T
Tech-KREP
Tecofi
Temper
TeRma
THERMEX
TIEMME
TIM
TORK
Tuboflex
U
Unicorn
Unipak
Unipump
Uponor
URSA
V
VALFEX
Vidima
Viessmann
Vitron
W
Warmstad
Waterstry
Watts
Wavin
Wester
White Wave (Караганда)
Wika
Wilo
Wolf
Z
Zetkama
А
Агригазполимер
Аквапромлит
Акватек
АНИ Пласт
Апогей
Арма-Пром
АРМАС
АС
АТЗ
Б
Багория
БАЗ
Бивал
БЛМЗ
В
ВАТИ
ВАТИ-АВТО
ВИПРА
Владикс
ВМЗ
Г
ГАЛЛОП
ГЗ Электропривод
Гидроагрегат
ГРАНАР
Гранвэл
Д
Дания;
Декаст
Джилекс
ДПК
ДТРД
З
завод им Гаджиева
Завод ПолимерШланг
ЗАВОД ТЕПЛОТЕХНИЧЕСКИХ ПРИБОРОВ
Завод Универсал
ЗИП
ЗИП-ФЛЕКС
И
Изотерм
ИК-2
ИКАР
Инкоэр
Итэлма
К
КАЗ
КЗПМ
КЗТО
Китай
ККАЗ
Кронтиф
Л
ЛесМаркет
Ливгидромаш
ЛМЗ
Лобненский стройфарфор
Луидор
М
Манотомь
Маршал
Мастер line
Мегастрой
МетаКам
Метер
МЗОО
МЗТА
Мирсант
Мифрил
МПТ-Пластик
Н
НАО "Нижнетагильский котельно-радиаторный завод"
Национальный комфорт
НЗТА
Нитэкмаш
НПО ЮМАС
НРЗ
О
Орио
Оскольская керамика
ОСПАЗ
П
Пензапромарматура
ПК ПРИБОР
Полипластик
Политэк
ППК
Прегран
Промтревл
Профсан
ПРС
Р
РБМ
РЕГИОН СПЕЦТЕХНО
Резинотехника
Рех
Ридан
РОС
Роскреп
Росма
Россия
Ростполимерпром
Ростпроект
Ростурпласт-RTP
С
САЗ
Санпласт
Сансфера
Сантехкомплект
СантехмастерГель
Сантехпром
Сантехстрой
Сантэкс (Гомель)
Сатурн
Свободный Сокол
Сектор
Симтек
Славен
СМ
СМК
ССК
Стеклоприбор
СТИЛОТ
Т
Татполимер
ТД Протон-Энергия
Тепловодомер
Тепловодохран
Теплолюкс
Тепломаш КЭВ
Терминус
Техком
Техкомплект
ТехПласт
ТЗПО
ТМК
ТПК-АКВА
Тулаэлектропривод
ТЭМПО
У
Уклад
Универсал (Новокузнецк)
УТД
Х
Хемкор
Хоммет
Ц
Царсберг
Цветлит
Центр Сантехники (Подольск)
ЦЕНТРОЛИТ
Э
Эван
ЭКО НОМ
ЭКОМЕРА
ЭлБЭТ
Элит-Металл
Эра
Ю
ЮНАФЛЭКС
Бренды
Новинки
Акции
Контакты
Корзина
: 0
...
Главная
Запорная арматура
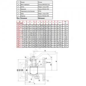
Краны шаровые чугунные
Сортировка:
По умолчанию
По наименованию
Цена по возрастанию
Цена по убыванию
По Рейтингу
По дате поступления
Показать:
36
72
108
180
360
Клапан поплавковый прямой чугун RF3241 Ду 100 Ру16 фл поплавок сталь нерж в комплекте Тмакс=120 оС Tecofi RF3241-0100
Производитель:
Tecofi
Модель:
RF3241
Артикул:
RF3241-0100
9999
161916.70р.
+
-
Купить
Купить в 1 клик
Клапан поплавковый прямой чугун RF3241 Ду 150 Ру16 фл поплавок сталь нерж в комплекте Тмакс=120 оС Tecofi RF3241-0150
Производитель:
Tecofi
Модель:
RF3241
Артикул:
RF3241-0150
9999
520733.50р.
+
-
Купить
Купить в 1 клик
Клапан поплавковый прямой чугун RF3241 Ду 50 Ру16 фл поплавок сталь нерж в комплекте Тмакс=120 оС Tecofi RF3241-0050
Производитель:
Tecofi
Модель:
RF3241
Артикул:
RF3241-0050
9999
77555.40р.
+
-
Купить
Купить в 1 клик
Клапан поплавковый уравновешенный чугун RF3240 Ду 40 Ру10 фл поплавок поплавок сталь нерж в комплекте Тмакс=120 оС Tecofi RF3240-0040
Производитель:
Tecofi
Модель:
RF3240
Артикул:
RF3240-0040
9999
74707.80р.
+
-
Купить
Купить в 1 клик
Кран шаровой чугун 565A Ду 100 Ру16 фл рукоятка Тмакс=150 оС Zetkama 565A100C09
Производитель:
Zetkama
Модель:
565A
Артикул:
565A100C09
240
44274.60р.
+
-
Купить
Купить в 1 клик
Кран шаровой чугун 565A Ду 125 Ру16 фл рукоятка Тмакс=150 оС Zetkama 565A125C09
Производитель:
Zetkama
Модель:
565A
Артикул:
565A125C09
87
54963.00р.
+
-
Купить
Купить в 1 клик
Кран шаровой чугун 565A Ду 15 Ру16 фл рукоятка Тмакс=150 оС Zetkama 565A015C09
Производитель:
Zetkama
Модель:
565A
Артикул:
565A015C09
85
4570.70р.
+
-
Купить
Купить в 1 клик
Кран шаровой чугун 565A Ду 150 Ру16 фл рукоятка Тмакс=150 оС Zetkama 565A150C09
Производитель:
Zetkama
Модель:
565A
Артикул:
565A150C09
78
64234.40р.
+
-
Купить
Купить в 1 клик
Кран шаровой чугун 565A Ду 20 Ру16 фл рукоятка Тмакс=150 оС Zetkama 565A020C09
Производитель:
Zetkama
Модель:
565A
Артикул:
565A020C09
69
4942.60р.
+
-
Купить
Купить в 1 клик
Кран шаровой чугун 565A Ду 200 Ру16 фл рукоятка Тмакс=150 оС Zetkama 565A200C05
Производитель:
Zetkama
Модель:
565A
Артикул:
565A200C05
9999
188013.10р.
+
-
Купить
Купить в 1 клик
Кран шаровой чугун 565A Ду 25 Ру16 фл рукоятка Тмакс=150 оС Zetkama 565A025C09
Производитель:
Zetkama
Модель:
565A
Артикул:
565A025C09
93
6094.80р.
+
-
Купить
Купить в 1 клик
Кран шаровой чугун 565A Ду 250 Ру10 фл рукоятка Тмакс=100 оС Zetkama 565A250B05
Производитель:
Zetkama
Модель:
565A
Артикул:
565A250B05
9999
734017.80р.
+
-
Купить
Купить в 1 клик
Кран шаровой чугун 565A Ду 32 Ру16 фл рукоятка Тмакс=150 оС Zetkama 565A032C09
Производитель:
Zetkama
Модель:
565A
Артикул:
565A032C09
226
7430.60р.
+
-
Купить
Купить в 1 клик
Кран шаровой чугун 565A Ду 40 Ру16 фл рукоятка Тмакс=150 оС Zetkama 565A040C09
Производитель:
Zetkama
Модель:
565A
Артикул:
565A040C09
298
9069.50р.
+
-
Купить
Купить в 1 клик
Кран шаровой чугун 565A Ду 50 Ру16 фл рукоятка Тмакс=150 оС Zetkama 565A050C09
Производитель:
Zetkama
Модель:
565A
Артикул:
565A050C09
36
10806.20р.
+
-
Купить
Купить в 1 клик
Кран шаровой чугун 565A Ду 65 Ру16 фл рукоятка Тмакс=150 оС Zetkama 565A065C09
Производитель:
Zetkama
Модель:
565A
Артикул:
565A065C09
172
16530.70р.
+
-
Купить
Купить в 1 клик
Кран шаровой чугун 565A Ду 80 Ру16 фл рукоятка Тмакс=150 оС Zetkama 565A080C09
Производитель:
Zetkama
Модель:
565A
Артикул:
565A080C09
264
22253.60р.
+
-
Купить
Купить в 1 клик
Кран шаровой чугун BS 3242 Ду 100 Ру16 фл полнопроходной рукоятка Тмакс=200 оС Tecofi BS3242-0100
Производитель:
Tecofi
Модель:
BS3242
Артикул:
BS3242-0100
9999
66806.40р.
+
-
Купить
Купить в 1 клик
Кран шаровой чугун BS 3242 Ду 125 Ру16 фл полнопроходной рукоятка Тмакс=200 оС Tecofi BS3242-0125
Производитель:
Tecofi
Модель:
BS3242
Артикул:
BS3242-0125
9999
104320.60р.
+
-
Купить
Купить в 1 клик
Кран шаровой чугун BS 3242 Ду 15 Ру16 фл полнопроходной рукоятка Тмакс=200 оС Tecofi BS3242-0015
Производитель:
Tecofi
Модель:
BS3242
Артикул:
BS3242-0015
9999
12184.20р.
+
-
Купить
Купить в 1 клик
Кран шаровой чугун BS 3242 Ду 150 Ру16 фл полнопроходной рукоятка Тмакс=200 оС Tecofi BS3242-0150
Производитель:
Tecofi
Модель:
BS3242
Артикул:
BS3242-0150
9999
155114.60р.
+
-
Купить
Купить в 1 клик
Кран шаровой чугун BS 3242 Ду 20 Ру16 фл полнопроходной рукоятка Тмакс=200 оС Tecofi BS3242-0020
Производитель:
Tecofi
Модель:
BS3242
Артикул:
BS3242-0020
9999
13415.60р.
+
-
Купить
Купить в 1 клик
Кран шаровой чугун BS 3242 Ду 200 Ру16 фл полнопроходной рукоятка Тмакс=200 оС Tecofi BS3242-0200
Производитель:
Tecofi
Модель:
BS3242
Артикул:
BS3242-0200
9999
250536.10р.
+
-
Купить
Купить в 1 клик
Кран шаровой чугун BS 3242 Ду 25 Ру16 фл полнопроходной рукоятка Тмакс=200 оС Tecofi BS3242-0025
Производитель:
Tecofi
Модель:
BS3242
Артикул:
BS3242-0025
9999
15880.30р.
+
-
Купить
Купить в 1 клик
Кран шаровой чугун BS 3242 Ду 32 Ру16 фл полнопроходной рукоятка Тмакс=200 оС Tecofi BS3242-0032
Производитель:
Tecofi
Модель:
BS3242
Артикул:
BS3242-0032
9999
20809.80р.
+
-
Купить
Купить в 1 клик
Кран шаровой чугун BS 3242 Ду 40 Ру16 фл полнопроходной рукоятка Тмакс=200 оС Tecofi BS3242-0040
Производитель:
Tecofi
Модель:
BS3242
Артикул:
BS3242-0040
9999
24094.90р.
+
-
Купить
Купить в 1 клик
Кран шаровой чугун BS 3242 Ду 50 Ру16 фл полнопроходной рукоятка Тмакс=200 оС Tecofi BS3242-0050
Производитель:
Tecofi
Модель:
BS3242
Артикул:
BS3242-0050
9999
28884.80р.
+
-
Купить
Купить в 1 клик
Кран шаровой чугун BS 3242 Ду 65 Ру16 фл полнопроходной рукоятка Тмакс=200 оС Tecofi BS3242-0065
Производитель:
Tecofi
Модель:
BS3242
Артикул:
BS3242-0065
9999
38468.40р.
+
-
Купить
Купить в 1 клик
Кран шаровой чугун BS 3242 Ду 80 Ру16 фл полнопроходной рукоятка Тмакс=200 оС Tecofi BS3242-0080
Производитель:
Tecofi
Модель:
BS3242
Артикул:
BS3242-0080
9999
53530.30р.
+
-
Купить
Купить в 1 клик
Кран шаровой чугун R740F Ду 100 Ру16 фл полнопроходной рукоятка Тмакс=120 оС Giacomini R740FLY010
Производитель:
Giacomini
Модель:
R740F
Артикул:
R740FLY010
46
19106.80р.
+
-
Купить
Купить в 1 клик
Нет в наличии
Кран шаровой чугун R740F Ду 125 Ру16 фл полнопроходной рукоятка Тмакс=120 оС Giacomini R740FLY012
Производитель:
Giacomini
Модель:
R740F
Артикул:
R740FLY012
0
34603.70р.
+
-
Купить
Купить в 1 клик
Нет в наличии
Кран шаровой чугун R740F Ду 15 Ру16 фл полнопроходной рукоятка Тмакс=120 оС Giacomini R740FLY000
Производитель:
Giacomini
Модель:
R740F
Артикул:
R740FLY000
0
5806.10р.
+
-
Купить
Купить в 1 клик
Кран шаровой чугун R740F Ду 150 Ру16 фл полнопроходной рукоятка Тмакс=120 оС Giacomini R740FLY015
Производитель:
Giacomini
Модель:
R740F
Артикул:
R740FLY015
8
65089.90р.
+
-
Купить
Купить в 1 клик
Кран шаровой чугун R740F Ду 20 Ру16 фл полнопроходной рукоятка Тмакс=120 оС Giacomini R740FLY001
Производитель:
Giacomini
Модель:
R740F
Артикул:
R740FLY001
2
6441.10р.
+
-
Купить
Купить в 1 клик
Кран шаровой чугун R740F Ду 200 Ру16 фл полнопроходной рукоятка Тмакс=120 оС Giacomini R740FLY020
Производитель:
Giacomini
Модель:
R740F
Артикул:
R740FLY020
9999
91840.80р.
+
-
Купить
Купить в 1 клик
Кран шаровой чугун R740F Ду 25 Ру16 фл полнопроходной рукоятка Тмакс=120 оС Giacomini R740FLY002
Производитель:
Giacomini
Модель:
R740F
Артикул:
R740FLY002
5
6845.40р.
+
-
Купить
Купить в 1 клик
1
2
>
>|
Показано с 1 по 36 из 45 (всего 2 страниц)